Mis on desorptsioonielektrolüütiline süsteem ja miks on see tänapäevase kulla ekstraheerimise jaoks hädavajalik?

2026-04-21 - Jäta mulle sõnum

TheDesorptsiooni elektrolüütiline süsteemon ülioluline tehnoloogia kaasaegses kulla ekstraheerimises, eriti süsinik-in-pulp (CIP) ja süsinik-in-leach (CIL) protsessides. See ajaveeb uurib, kuidas süsteem töötab, selle komponente, eeliseid ja miks sellest on saanud tõhusa kulla taastamise standard. Samuti tõstame esile, kuidas ettevõtetele meeldibEPICedendavad innovatsiooni selles valdkonnas. Lõpuks on teil täielik arusaam sellest, kuidas see süsteem suurendab tootlikkust, vähendab kulusid ja parandab taaskasutamise määra.

Desorption Electrolytic System

Sisukord


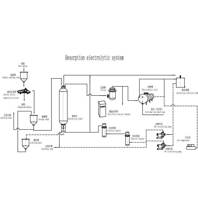
Mis on desorptsioonelektrolüütiline süsteem

A Desorptsiooni elektrolüütiline süsteemon täiustatud kulla taaskasutamise süsteem, mida kasutatakse kulla eraldamiseks aktiivsöest. Seda kasutatakse laialdaselt kaevandustöödel, kus kuld neeldub leostumisprotsessi käigus süsinikuosakestele.

  • Desorptsioon: eemaldab kulla süsinikust kõrge temperatuuri ja kõrgsurve lahuste abil
  • Elektrolüüs: taastab kulla lahusest katoodidele
  • Suletud ahelaga süsteem: tagab tõhususe ja minimaalse kadu

See süsteem on oluline taaskasutamise tõhususe parandamiseks ja tegevuskulude vähendamiseks, muutes selle tänapäevaste kullatöötlemistehaste põhikomponendiks.


Kuidas desorptsioonielektrolüütiline süsteem töötab

Tööpõhimõte aDesorptsiooni elektrolüütiline süsteemhõlmab kahte peamist etappi:

  1. Desorptsiooni etapp:Kullaga laetud süsinikku töödeldakse kuuma leeliselise tsüaniidi lahusega, vabastades kullaioone.
  2. Elektrolüüsi etapp:Kullarikas lahus läbib elektrolüütilist rakku, kus kuld ladestub terasvillakatoodidele.

Protsess tagab kõrge efektiivsuse ja võimaldab pidevat tööd, mistõttu meeldivad ettevõtete süsteemidEPICkasutatakse laialdaselt tööstuslikes rakendustes.


Süsteemi peamised komponendid

Komponent Funktsioon
Desorptsioonikolonn Hoiab aktiivsütt ja hõlbustab kulla eemaldamist
Elektrolüütiline element Taastab kulla elektrolüüsi teel
Soojusvaheti Säilitab vajaliku temperatuuri
Filtrisüsteem Eemaldab lahusest lisandid
Juhtimissüsteem Automatiseerib töö ja jälgib parameetreid

Iga komponent mängib süsteemi tõhusa ja järjepideva toimimise tagamisel olulist rolli.


Tehnilised eelised ja omadused

  • Kõrge kulla taastamise määr (kuni 98%)
  • Madal energiatarve
  • Automaatne töö väiksemate tööjõukulude jaoks
  • Kompaktne disain ruumi tõhususe tagamiseks
  • Keskkonnasõbralik minimaalsete heitkogustega

Tootjatele meeldibEPICoptimeerige neid süsteeme pidevalt, et vastata tööstuse arenevatele nõudmistele, tagades parema jõudluse ja töökindluse.


Kulla töötlemise rakendused

TheDesorptsiooni elektrolüütiline süsteemkasutatakse laialdaselt:

  • Kullakaevandustehased
  • CIP (Carbon-in-Pulp) toimingud
  • CIL (Carbon-in-Leach) protsessid
  • Kullajääkide taastamine

Selle mitmekülgsus muudab selle sobivaks nii suuremahuliseks tööstuslikuks kaevandamiseks kui ka väiksemateks operatsioonideks, mille eesmärk on tõhususe parandamine.


Võrdlus traditsiooniliste meetoditega

Funktsioon Desorptsiooni elektrolüütiline süsteem Traditsioonilised meetodid
Tõhusus Kõrge Mõõdukas
Automatiseerimine Täielikult automatiseeritud Käsitsi või poolautomaatne
Maksumus Madalam pikaajaline kulu Kõrgemad tegevuskulud
Keskkonnamõju Madal Kõrgem

On selge, et kaasaegne süsteem pakub olulisi eeliseid võrreldes traditsiooniliste kulla taaskasutamise tehnikatega.


Valikujuhend ostjatele

Valides aDesorptsiooni elektrolüütiline süsteem, võtke arvesse järgmisi tegureid:

  • Töötlemisvõimsus
  • Automatiseerimise tase
  • Energiatõhusus
  • Tootja maine (nt EPIC)
  • Müügijärgne tugi

Õige süsteemi valimine tagab pikaajalise tööedu ja maksimaalse investeeringutasuvuse.


Hooldus- ja kasutusnõuanded

  • Kontrollige regulaarselt torustikke ja ventiile
  • Jälgige temperatuuri ja rõhu taset
  • Puhastage elektrolüütelemente perioodiliselt
  • Vahetage kulunud komponendid kiiresti välja
  • Järgige rangelt tootja juhiseid

Õige hooldus pikendab oluliselt süsteemi eluiga ja tagab ühtlase jõudluse.


KKK

1. Mis on desorptsioonelektrolüütilise süsteemi põhieesmärk?

Selle peamine eesmärk on tõhusalt aktiivsöest kulla ekstraheerimine ja taaskasutamine.

2. Kui tõhus on süsteem?

Enamik süsteeme saavutab kulla taaskasutamise määra üle 95%, sõltuvalt töötingimustest.

3. Kas süsteem on keskkonnasõbralik?

Jah, kaasaegsed süsteemid on loodud heitkoguste minimeerimiseks ja keemiliste jäätmete vähendamiseks.

4. Kas seda saab kohandada?

Jah, sellised ettevõtted nagu EPIC pakuvad töötlemisnõuetel põhinevaid kohandatavaid lahendusi.

5. Mis tööstusharud seda süsteemi kasutavad?

Peamiselt kullakaevandustööstuses, aga ka väärismetallide taaskasutamise rakendustes.


Järeldus

TheDesorptsiooni elektrolüütiline süsteemesindab läbimurret kulla taaskasutamise tehnoloogias, pakkudes ületamatut tõhusust, töökindlust ja keskkonnasäästlikkust. Pidevate edusammudega tööstusharu liidritelt naguEPIC, muutub see süsteem kaasaegsete kaevandustööde jaoks üha olulisemaks. Kui soovite oma kulla kaevandamise protsessi optimeerida ja kasumlikkust parandada, on kvaliteetsesse süsteemi investeerimine nutikas valik.Võtke meiega ühendusttäna, et saada lisateavet selle kohta, kuidas saame pakkuda teie vajadustele kohandatud lahendusi.

Saada päring

X
Kasutame küpsiseid, et pakkuda teile paremat sirvimiskogemust, analüüsida saidi liiklust ja isikupärastada sisu. Seda saiti kasutades nõustute meie küpsiste kasutamisega. Privaatsuspoliitika