Desorptsiooni elektrolüütiline süsteem
  • Desorptsiooni elektrolüütiline süsteem Desorptsiooni elektrolüütiline süsteem

Desorptsiooni elektrolüütiline süsteem

Professionaalse tootjana soovib Epic pakkuda teile kvaliteetset desorptsiooni elektrolüütilist süsteemi. Ja pakume teile parimat müügijärgset teenust ja õigeaegset kohaletoimetamist.

Saada päring

Tootekirjeldus

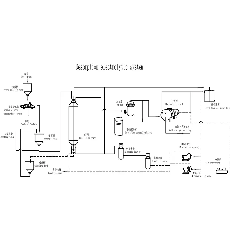
Olles valdava tootja, eesmärk on pakkuda teile tipptasemel desorptsiooni elektrolüütilist süsteemi. Lubame pakkuda teile parimat müügijärgset tuge ja kiiret kohaletoimetamist. Lisades anioonide aktiivsüsiniku adsorptsiooni, seega AU (CN) 2 "asendamist, mõistavad kulla desorptsiooni. Kullaga koormatud süsiniku desorptsiooni teel saadud vedelik saadi ionisatsiooni abil, et saada tahke kulda. Seadmete iseloomustus

1, kõrge temperatuur, kõrgrõhk, tsüaniidi puudumine, desorptsiooni automaatne juhtimine, kõrge kurnandusega, vibu tarbimine, kiire

omadused: 

A.High efektiivsus: kui kullaga koormatud süsiniku klass jõuab 3000 g/tni, võib desorptsiooni kiirus ulatuda üle 96%-ni ja halva süsiniku astet saab redutseerida 3-4 korda võrreldes tavalise desorptsiooni elektrolüütilisena

seade:

B.Sast: desorptsiooni elektrolüüsi temperatuur võib olla koguni 150 ℃ (30–55 ℃ kõrgem kui teistest mudelitest) Süsteemi töörõhk kuni 0,5MPa (0,2–0,5MPa kõrgem kui teistest mudelitest), seega on desorptsiooni elektrolüüsi aeg väga kiire, üldiselt 12 h, peaaegu lühendab peaaegu peaaegu 12 tundi, peaaegu peaaegu lühendab peaaegu 12 h-d peaaegu 12 h peaaegu 12 h peaaegu 12 tundi, peaaegu lühendab peaaegu 12 h-d peaaegu 12 tundi, peaaegu lühendab peaaegu 12 h-d peaaegu 12 h, peaaegu peaaegu 12 h peaaegu lühendatud peaaegu 12 tundi, peaaegu peaaegu lühendab peaaegu 12 h-d peaaegu 12 tundi, peaaegu peaaegu lühendab peaaegu 12 h-d peaaegu 12 tundi, peaaegu lühendab peaaegu 12 h-d peaaegu 12 tundi, peaaegu lühendab peaaegu 12 tundi, peaaegu peaaegu 12 h-i peaaegu lühenda 

3 korda: C.LOW tarbimine: desorptsiooni elektrolüütiline temperatuur on sama, kiire töö tõttu soojusülekanne, seega on kogu energiatarve tavapärasest süsteemist 1/2-1/4.

2. Tsüaniidi puudub: desorptsioonilahus ei pea lisama naatriumtsüaniidi, madalaid kulusid, ilma reostuseta:

3, kõrge kvaliteediga kuldne muda, pole vaja elektrolüüsi tagasi pöörata, hõlpsat ekstraheerimist;

4, automaatjuhtimine: spetsiaalselt seadistage vedeliku taseme juhtimissüsteem, temperatuuri juhtimissüsteem ja automaatne juhtimissüsteem;

5, ohutus: kolmekordsete ohutuskaitsemeetmete abil, nimelt süsteem ise intelligentne, automaatne rõhk, mis piirab rõhu vabastamise mehhanismi, kindlustuskaitseventiili.

Kuumad sildid: Desorptsiooni elektrolüütiline süsteem
Saada päring
Palun esitage oma päring allolevas vormis. Vastame teile 24 tunni jooksul.
X
Kasutame küpsiseid, et pakkuda teile paremat sirvimiskogemust, analüüsida saidi liiklust ja isikupärastada sisu. Seda saiti kasutades nõustute meie küpsiste kasutamisega. Privaatsuspoliitika