English
Español
Português
русский
Français
日本語
Deutsch
tiếng Việt
Italiano
Nederlands
ภาษาไทย
Polski
한국어
Svenska
magyar
Malay
বাংলা ভাষার
Dansk
Suomi
हिन्दी
Pilipino
Türkçe
Gaeilge
العربية
Indonesia
Norsk
تمل
český
ελληνικά
український
Javanese
فارسی
தமிழ்
తెలుగు
नेपाली
Burmese
български
ລາວ
Latine
Қазақша
Euskal
Azərbaycan
Slovenský jazyk
Македонски
Lietuvos
Eesti Keel
Română
Slovenski
मराठी
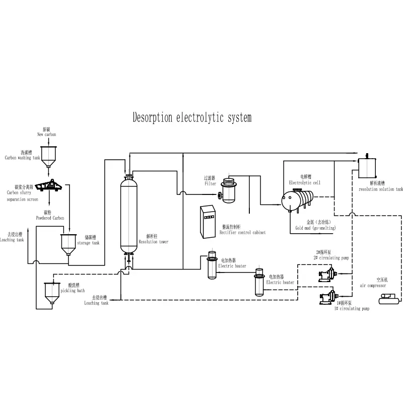
Srpski језик Desorptsioonielektrolüütiline süsteem on ülioluline tehnoloogia kaasaegses kulla ekstraheerimises, eriti süsinik-in-pulp (CIP) ja süsinik-in-leach (CIL) protsessides. See ajaveeb uurib, kuidas süsteem töötab, selle komponente, eeliseid ja miks sellest on saanud tõhusa kulla taastamise standard. Samu......
Loe rohkemSukelspiraalklassifikaator on mineraalide töötlemise oluline komponent, mis suurendab osakeste eraldamist ja klassifitseerimist erinevates tööstusharudes. Selles artiklis uurime sukelspiraalklassifikaatorite funktsioone, eeliseid ja rakendusi ning seda, kuidas EPIC lahendused kaevandustööstusele kaa......
Loe rohkemLeostussegutuspaagid on mäetööstuses hädavajalikud seadmed, eriti väärtuslike metallide eraldamiseks maakidest leostumisprotsesside kaudu. Selles ajaveebis uurime mäetööstuses kasutatavate leostussegupaakide tähtsust, tööpõhimõtet ja erinevaid tüüpe.
Loe rohkemSukeldatud spiraalklassifikaator on mineraalide töötlemisel kriitiline seade, mis on loodud osakeste eraldamiseks suuruse ja tiheduse alusel gravitatsioonilise settimise ja mehaanilise liikumise kaudu. See masin, mida kasutatakse laialdaselt kaevandamises, liivapesus ja tööstuslikes klassifitseerimi......
Loe rohkemRingikujuline suure kiirusega kaldplaadipaksendaja (CHRIPT) on oluline seade, mida kasutatakse kaevandus- ja mineraalide töötlemise tööstuses. Tuntud oma võime poolest tahkeid aineid vedelikest tõhusalt eraldada, on see paksendaja ülioluline sellistes tööstusharudes nagu reoveepuhastus, mineraalide ......
Loe rohkemSilindriline vahuflotatsioonielement muudab mineraalide töötlemise revolutsiooniliseks oma optimeeritud disaini, suurema taastumiskiiruse ja energiatõhusa jõudlusega. See põhjalik juhend uurib, kuidas silindrilised flotatsioonielemendid erinevad traditsioonilistest mudelitest, nende tööpõhimõtted, e......
Loe rohkem