Kuidas tsüaniidiga kaetud seadmed parandavad kulla taastamist ja töökoha ohutust?

2026-01-08 - Jäta mulle sõnum

Kui olete kunagi tundnud, et tsüanidamine on "tõhus, kuid stressi tekitav", ei kujuta te seda ette. Keemia töötab – ometi võib igapäevane reaalsus olla segane: maagi muutumine, reaktiivi ülekulu, süsinikukadud, ootamatud seisakud ja pidev surve ohutuks ja järjepidevaks tööks. See artikkel jagab lahti, midaTsüaanimisseadmedpeaks tegelikult teie heaks tegema, mida küsida enne ostmist ja kuidas vältida kõige kallimaid vigu.


Abstraktne

KaasaegneTsüaanimisseadmedei ole lihtsalt paakide komplekt – see on ühendatud süsteem, mis on loodud leostumistingimuste kontrollimiseks, taaskasutamise stabiliseerimiseks, reaktiivijäätmete vähendamiseks ja tsüaniidi käitlemise prognoositavaks hoidmiseks. Ostjad võitlevad tavaliselt nelja valupunktiga: ebajärjekindel taastumine, kõrged tegevuskulud, nõrk ohutuskontroll ja hoolduspeavalu. Altpoolt näete praktilist tehasepõhist vaadet tsüaniidimoodulitest (leostumine, adsorptsioon, desorptsioon/elektropressimine, detox ja mõõteriistad), valikumaatriksi, kasutuselevõtu näpunäiteid ja KKK jaotist, mida saate tarnijavestluste ajal kasutada.


Sisukord


Ülevaade lühidalt

  • Tõlgi sõna „ma vajan tsüaneerimist” täielikuks, juhitavaks varustuseks.
  • Tehke kindlaks, milline moodul põhjustab teie kadusid (taastumine, reaktiiv, süsinik või seisakud).
  • Kasutage oma maagi tüübi ja piirangute lahenduste võrdlemiseks lihtsat maatriksit.
  • Minge tarnijate koosolekutele kontrollnimekirjaga, mis paljastab nõrgad kujundused kiiresti.

Tõelise ostja valupunktid

Kui inimesed ostavadTsüaanimisseadmed, ütlevad nad sageli: "Ma vajan suuremat taastumist." Tavaliselt tähendavad need järgmist: "Ma vajan taastumist, mis püsib kõrgel tasemel isegi siis, kui maak muutub, operaatorid pöörlevad ja koht on kauge." Siin on valupunktid, mis ikka ja jälle ilmuvad:

  • Taastumise kõikumisedpõhjustatud maagi varieeruvusest, jahvatusprobleemidest, hapnikupiirangutest või halvast pH kontrollist.
  • Reaktiivi kulu libiseminetsüaniidi või lubja üledoseerimisest "ohutuse mõttes".
  • Süsinikuprobleemidnagu saastumine, hõõrdumise kadu või halb adsorptsioonikineetika.
  • Seisakudpumba/ventiili riketest, abrasiivse lobri kulumisest või raskesti ligipääsetavatest paigutustest.
  • Ohutusstresstsüaniidi ladustamise, doseerimise ja hädaolukorras reageerimise valmisoleku kohta.

Seadmete hea disain ei eemalda kogu keerukust, kuid see peaks eemaldama oletused.


Mida sisaldab tsüaneerimisvarustus

Cyaniding Equipment

Minimaalselt,Tsüaanimisseadmedtuleks mõista kui süsteemi, mis toetab järgmisi funktsioone:

  • Leostumine: tagage lahustumiseks aja, segamise ja keemia kontroll.
  • Kulla püüdmine: adsorptsioon aktiivsöele (CIP/CIL) või sadestamisteedele.
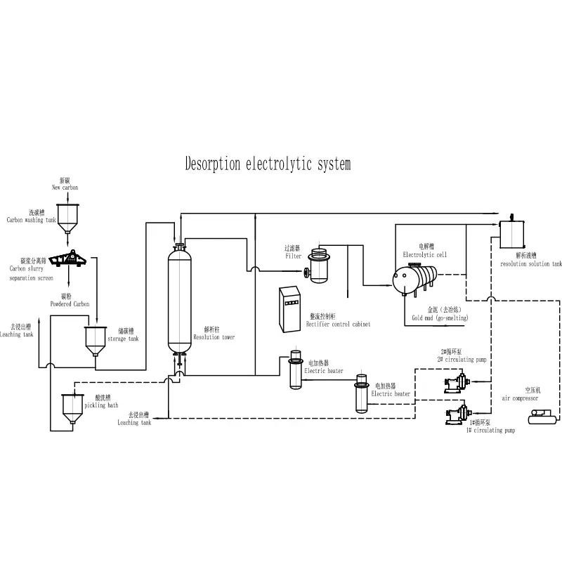
  • Kulla taastumine: desorptsioon ja elektrooniline võitmine (või alternatiivsed taaskasutusahelad).
  • Detox ja aheraine käitlemine: vähendage jääktsüaniidi vastuvõetava tasemeni.
  • Mõõteriistad ja juhtimine: pH, lahustunud hapniku, voolu ja doseerimise mõõtmine ja stabiliseerimine.

Kui tarnija räägib ainult "paakidest", suruge neid kogu voolu ja kontrollpunktide määratlemiseks. Tsüanidamine on laboritingimustes andestav; see pole kaootilistes välitingimustes andestav.


Selge protsessikaart Ore'ist Doréni

Kuigi iga taim on erinev, järgivad enamik tsüaniidimise marsruute äratuntavat selgroogu. Kasutage seda kaarti, et kontrollida, kas pakutud pakett on täielik:

Lava Mida see peab saavutama Tüüpiline "varjatud" risk
Eeltöötlus (vajadusel) Tehke kuld kättesaadavaks ja vältige tsüaniidi tarbimise hüppeid Eirates eelröövimist, kõrge vasesisaldust või reaktiivseid sulfiide
Leostumine Stabiilne segamine, kontrollitud pH ja piisav hapnikusisaldus Surnud tsoonid, halb hapnikuülekanne, ebaühtlane pH nõrgast lubjasüsteemist
Adsorptsioon (CIL/CIP) Püüdke tõhusalt lahustunud kulda Vale süsiniku suurus/ülekandemeetod; süsiniku kadu
Elueerimine/desorptsioon Eemaldage kuld süsinikust usaldusväärselt Ebaühtlane kuumutamine/vool viib eemaldamise madala efektiivsuseni
Elektroohvimine / Sulatamine Taastage ja tootke dorét Alamõõdulised rakud, halb elektrolüütide juhtimine, muda käitlemise probleemid
Detox Vähendage tsüaniidi jääke enne tühjendamist/jäätmeid Disain ei vasta läbilaskevõime varieeruvusele ega aherainekeemiale

Võtmemoodulid ja mida kontrollida

1) Leostusmahutid ja segamine

  • Kas segamiskonstruktsioon sobib teie läga tiheduse ja abrasiivsusega?
  • Kas süsteem suudab maagi varieeruvuse korral säilitada stabiilse pH-taseme?
  • Kas hapniku lisamine on teie saidil praktiline (ja kas hapniku ülekandmist arvestatakse projekteerimisel)?
  • Kas paigutus võimaldab tiivikute, vooderdiste ja laagrite hõlpsat kontrollimist?

2) Süsiniku adsorptsioon ja ülekanne

  • Kas lavadevahelised ekraanid on piisavalt vastupidavad, et vältida süsiniku ülekandumist?
  • Kas süsiniku ülekanne on konstrueeritud nii, et see vähendab purunemist ja kadu?
  • Kas disain on puhastus- ja süsinikuvaru kontrollimiseks sõbralik?

3) Desorptsioon ja elektrooniline võitmine

  • Kas elueerimisahel vastab teie süsiniku laadimise ootustele?
  • Kas kütte- ja vooluregulaatorid on stabiilsed (ei sõltu operaatorist)?
  • Kas mudakäitlus on planeeritud, mitte improviseeritud?

4) Tsüaniidi doseerimine ja mõõtmine

  • Kas doseerimine on blokeeringutega automatiseeritud või puhtalt käsitsi?
  • Mis on reaalses kaevanduskeskkonnas kalibreerimise ja andurite hoolduse plaan?
  • Kas proovivõtukohad on ohutud ja hästi paigutatud või on see järelmõte?

5) Detox

  • Kas detox-disain põhineb teie väljutamise sihtmärkidel ja aheraine keemial?
  • Kas see suudab toime tulla lühiajaliste hüpetega ilma sulgemist sundimata?

Praktiline vihje:Paberil odavam näiv ettepanek sunnib sageli toimingud maksma – lisatsüaniidi, lisalubja, lisahooldustööjõu ja operaatori „kangelaslikuma” käitumise. Arve saabub hiljem.


Suuruse ja spetsifikatsiooni põhitõed

Teie eelarvet kaitsvate suuruse määramise küsimuste esitamiseks ei pea te olema metallurg. SestTsüaanimisseadmed, keerleb tuuma suuruse määramise loogika läbilaskevõime, viibimisaja ja massiülekande ümber. Enne lõpliku kujunduse vastuvõtmist veenduge, et need sisendid on sõnaselgelt öeldud:

  • Disaini läbilaskevõime(keskmine ja tipp, pluss eeldatav hooajaline kõikumine).
  • Sihtjahvatussuurusja mis juhtub, kui veski triivib jämedamaks.
  • Leotuse viibimisaegja kas see põhineb testidel või oletustel.
  • pH ja aluselisuse plaan(sealhulgas lubja ettevalmistamine ja doseerimise stabiilsus).
  • Hapnikustrateegia(õhk, hapnik või mitte) ja eeldatav mõju kineetikale.
  • Süsiniku inventar(kui palju süsinikku, kus see asub ja kuidas seda jälgitakse).

Kui tarnija ei suuda neid lihtsas keeles selgitada, käsitlege seda riskisignaalina, mitte tehnilise asjaoluna.


Ohutus ja tsüaniidikontroll, mis tegelikult vastu peab

Ohutus ei ole plakat seinal. Tsüaniidiga on see sisse ehitatud füüsilisse disaini ja rutiinsesse juhtimisse. TugevTsüaanimisseadmedpaketid sisaldavad tavaliselt:

  • Sisaldus ladustamine ja teisaldamineselgete lekketeede ja sidumisloogikaga.
  • Blokeeritud doseerimineseega ei saa tsüaniidi lisada, kui põhitingimused ei ole täidetud.
  • Selge proovivõtu kujundusmis vähendab kokkupuute riski rutiinse kontrolli käigus.
  • Hädaabi valmisolekosana tööprotseduuride komplektist, mitte lisadokumendina.

Ostja seisukohast on teie töö lihtne: sundige pakkumine näitama täpselt, kuidas inimesed süsteemiga suhtlevad. Kus nad seisavad? Mida nad puudutavad? Kuidas nad seadmeid isoleerivad? Kuidas nad reageerivad pumba tihendi rikkele kell 2 öösel?


Kust tegevuskulud tegelikult tulevad

Kui teie hind untsi kohta triivib ülespoole, pole see tavaliselt üks dramaatiline rike – see on väikesed lekked süsteemis. Tsüaneerimisel on kõige levinumad kulutegurid:

  • Tsüaniidi tarbiminemille põhjuseks on reaktiivsed mineraalid, üledoseerimisharjumused või kehvad kontrollahelad.
  • Lubja tarbiminekui pH kontroll on ebastabiilne või läga keemiat ei mõisteta hästi.
  • Süsiniku kadukulumise, ekraaniprobleemide või halva ülekandekujunduse tõttu.
  • Võimsus ja hooldusliigsest segamisest, aladisainitud kuluvatest osadest ja raskesti hooldatavatest paigutustest.
Sümptom Tõenäoline algpõhjus Seadme funktsioon, mis aitab
Maagi muutumisel taastumine väheneb pH/DO ebastabiilsus; halb segamine; ebapiisav viibimisaeg Tugev segamine, parem juhtimisseade, paindlik paagi maht
Tsüaniidikulu aina kasvab Üleannustamine; palju tsüaniidi tarbivad mineraalid; halb mõõtmine Kontrollitud doseerimine, usaldusväärsed proovivõtukohad, nutikamad blokeeringud
Süsinikuvarud vähenevad "salapäraselt". Ekraani rikked; ülekandekaod; hõõrdumine Vastupidavad lavadevahelised ekraanid, õrn ülekandekujundus, selge süsinikuarvestus
Sagedased väljalülitused Kuluvad osad, pumba tihendus, juurdepääsuprobleemid Kulumiskindlad materjalid, juurdepääs hooldusele, standardsed varuosad

Töökindlus ja hooldus disain

Cyaniding Equipment

Tsüaniideerimisahel võib tunduda "täielik" ja olla siiski ebausaldusväärne, kui hooldust ei kavandatud. Küsige, kuidas tarnija läheneb:

  • Materjalide valikabrasiivsete lägatsoonide ja tsüaniidiga kokkupuutetsoonide jaoks.
  • Juurdepääsekraanidele, tiivikutele, vooderdistele, pumpadele ja mõõteriistadele.
  • Varuosade strateegiamis vastab teie saidi tegelikkusele (teostusajad, logistika, varud).
  • Standardimineunikaalsete kulumisesemete arvu vähendamiseks.

Kaugoperatsioonide puhul võib sõna "lihtne hooldada" olla rohkem väärt kui "paberil veidi tõhusam".


Tarnija küsimused, mida peaksite esitama

Kasutage seda kontrollnimekirja koosolekutel. See on loodud nõrkade ettepanekute kiireks esiletoomiseks – ilma vestlust aruteluks muutmata.

  • Millised maagiriskid võetakse ära ja milliste jaoks on need aktiivselt välja töötatud?
  • Millised on sisendid viibimisaja, pH vahemiku ja hapnikustrateegia jaoks?
  • Kuidas tsüaniidi doseerimist kontrollitakse ja mis juhtub anduri rikke korral?
  • Kuidas välditakse ja mõõdetakse rutiinsete toimingute käigus süsiniku kadu?
  • Milline on ekraanide, segistite ja pumpade hoolduse juurdepääsuplaan?
  • Millised on soovitatavad operaatori kontrollid vahetuse kohta ja kuidas need ohutuks muudetakse?
  • Milline kasutuselevõtu tugi sisaldab ja millist operaatorikoolitust pakutakse?

Kui hindate tarnijaid, võib aidata rääkida tootjaga, kes suudab pakkuda täielikku tsüaniidipaketti ja toetada integratsiooni üksikasju. Näiteks Qingdao EPIC Mining Machinery Co., Ltd.pakub kaevandustöötlemisseadmete lahendusi, kus tsüaniidipakette käsitletakse süsteemina – leostus-, adsorptsiooni-, regenereerimis- ja kontrollisüsteemina – mitte lahtiühendatud mahutite komplektina.


KKK

Mis teeb tsüaniidiseadmetest pigem kaasaegse kui lihtsa?

Kaasaegsed disainilahendused keskenduvad juhitavusele ja korratavusele: stabiilne doseerimine, usaldusväärne mõõtmine, ohutum proovide võtmine, tugev kulumiskaitse ja paigutused, mis vähendavad operaatori improvisatsiooni. Eesmärk on järjepidev taaskasutamine vähemate reaktiivijäätmete ja vähemate seiskamiste arvuga.

Kas tsüaniidimisseadmed saavad madala kvaliteediga maagiga majanduslikult hakkama?

Saab, kuid ainult siis, kui vooluring on loodud teie kineetika ja tarbimisprofiili järgi. Madala kvaliteediga toimingud kipuvad olema tundlikud reaktiivi ülekulu ja seisakute suhtes, nii et juhtimissüsteemid, kulumiskujundus ja süsiniku haldamine muutuvad eriti oluliseks.

Kuidas ma tean, kas mul on vaja CIP-i või CIL-i?

Valik sõltub tavaliselt leostumise kineetikast ja sellest, kui kiiresti tuleks lahustunud kuld kinni püüda. Kui kuld lahustub kiiresti ja soovite kohest püüda, võib CIL olla atraktiivne. Kui leostumisel on enne adsorptsiooni eraldamine kasulik, võib CIP paremini sobida. Otsuse peaksid juhtima metallurgilised testid ja praktilised kohapiirangud.

Miks tsüaniidi tarbimine mõnikord järsku kasvab?

Tavalisteks põhjusteks on maagi mineraalide muutused, halb pH kontroll, ootamatu hapnikupiirang või protsessivee saastumine. Hea kontrolliplaan ja usaldusväärsed proovivõtupunktid muudavad need naelu hõlpsamini diagnoosimiseks ja kiireks parandamiseks.

Mida peaksin eelistama, kui mu sait on kauge ja seal on vähe töötajaid?

Eelistage hooldatavust ja automatiseerimist, mis vähendab käsitsi teisaldamist: vastupidavad ekraanid, juurdepääsetav seadmete paigutus, standardsed varuosad, blokeeritud doseerimine ja selged töörutiinid, mis ei sõltu "ühest asjatundlikust operaatorist".


Kokkuvõte

OstmineTsüaanimisseadmedlõppkokkuvõttes on eesmärk ebakindluse vähendamine. Keemia võib olla tõestatud, kuid teie kasumlikkus sõltub järjepidevast kontrollist, praktilisest hooldusest ja ohutusest, mis töötab reaalsetes vahetustes päris inimestega. Kui plaanite uut tehast või uuendate olemasolevat vooluringi, tooge oma maagi tegelikkus, läbilaskevõime eesmärgid ja asukohapiirangud tabelisse ning nõudke ettepanekut, mis käsitleb tsüaniidimist tervikliku ja juhitava süsteemina.

Kas olete valmis muutma oma tsüaniidimiskava usaldusväärseks ja kulustabiilseks tööks?Jagage oma maagi tüüpi, sihtvõimsust ja asukohatingimusi ningvõtke meiega ühendustet arutada praktilist seadmete konfiguratsiooni, mis sobib teie tehasele ja operaatoritele.

Saada päring

X
Kasutame küpsiseid, et pakkuda teile paremat sirvimiskogemust, analüüsida saidi liiklust ja isikupärastada sisu. Seda saiti kasutades nõustute meie küpsiste kasutamisega. Privaatsuspoliitika