English
Español
Português
русский
Français
日本語
Deutsch
tiếng Việt
Italiano
Nederlands
ภาษาไทย
Polski
한국어
Svenska
magyar
Malay
বাংলা ভাষার
Dansk
Suomi
हिन्दी
Pilipino
Türkçe
Gaeilge
العربية
Indonesia
Norsk
تمل
český
ελληνικά
український
Javanese
فارسی
தமிழ்
తెలుగు
नेपाली
Burmese
български
ລາວ
Latine
Қазақша
Euskal
Azərbaycan
Slovenský jazyk
Македонски
Lietuvos
Eesti Keel
Română
Slovenski
मराठी
Srpski језик 2025-04-03
Tsüaniidireovee puhastamine on keemiatööstuses alati olnud keeruline probleem. Mis on siis peamineTsüaniidiseadmedmida tavaliselt kasutatakse tsüaniidi reoveepuhastuseks?
Naatriumhüpokloriti oksüdatsiooniseadmed: oksüdeerige tsüaniid mittetoksilisteks aineteks naatriumhüpokloriidi tugeva oksüdeeriva omaduse kaudu. Tavaliselt varustatud naatriumhüpokloriidigeneraatoriga, saab kohapeal valmistada naatriumhüpokloriidilahust. Seade sisaldab üldiselt kloori genereerimisseadet, lahustumisüksust ja mõõtmisüksust. Naatriumhüdroksiidiga reageerimise kloori protsessis naatriumhüpokloriidi tekitamiseks tuleb rangelt kontrollida selliseid reaktsioonitingimusi, nagu kloori voolukiirus, naatriumhüdroksiidi kontsentratsioon jne, et tagada naatriumhüpokloriidi kvaliteet ja annuse täpsus. Selle seadme kasutamine on suhteliselt lihtne, kuid see nõuab operaatori jaoks suuri oskusi ning reaktsioonitingimusi tuleb rangelt kontrollida, et vältida liigset või ebapiisavat naatriumhüpokloriti, mille tulemuseks on tsüanideadmete halba mõju.
Kloordioksiidi oksüdatsiooniseadmed: kloordioksiidil on tugevamad oksüdeerivad omadused ja see võib tsüaniidi tõhusamalt oksüdeerida. Selle seadmed hõlmavad kloordioksiidi generaatorit ning tavalised on keemilised generaatorid ja elektrolüütilised generaatorid. Keemilise meetodi generaator genereerib kloordioksiidi, reageerides vesinikkloriidhappega naatriumkloraadi või naatriumkloriidiga ning vajab reaktsiooni materjali suhet ning reaktsiooni temperatuuri ja muid tingimusi; Elektrolüütilise meetodi generaator kasutab kloordioksiidi genereerimiseks soolalahuse elektrolüüsi. Seadmete struktuur on suhteliselt keeruline ja nõuab stabiilset toiteallika ja elektrolüüsisüsteemi. Kloori dioksiidi oksüdatsioonimeetodi seadmetel on kõrge raviefektiivsus, kuid kulud ja töö maksumustsüaniidiseadmedon suhteliselt kõrged.
Leeliseline vaskkloriidi meetod: vaskkloriid reageerib tsüaniidiga aluselistes tingimustes, et muuta tsüaniid madala toksilisteks või mittetoksilisteks aineteks. Seadmed hõlmavad peamiselt vaskkloriidi lahuse ettevalmistamise seadet ja reaktsioonipaaki. Vaskkloriidi lahus tuleb valmistada vastavalt reovee tsüaniidi kontsentratsioonile. Reaktsioonipaagis on reovesi ja vaskkloriidi lahus täielikult segatud ja segades reageeritakse. Sellel meetodil on hea raviefekt, kuid toodetud vaskmuda tuleb hiljem ravida, vastasel juhul võib see põhjustada sekundaarset reostust.
Aktiveeritud süsiniku adsorptsioonimeetod Seadmed: aktiveeritud süsinikul on tohutu spetsiifiline pindala ja rikkalik pooride struktuur, mis võib tsüaniidi adsorbeerida reovees. Tavaliselt kasutatavad seadmed hõlmavad aktiveeritud süsiniku adsorptsioonitorne. Kui reovesi läbib adsorptsioonitornis aktiveeritud süsinikukihi, adsorbeerub tsüaniid aktiveeritud süsiniku pinnale. Adsorptsioonitorn tuleb aktiveeritud süsiniku adsorptsiooni jõudluse taastamiseks regulaarselt tagasi pesta ja regenereerida. Aktiveeritud süsiniku adsorptsioonimeetodil on lihtne seadmed ja mugav töö, kuid aktiveeritud süsiniku regenereerimine ja asendamiskulud on suured ning adsorptsioonivõime on piiratud, seetõttu tuleb aktiveeritud süsinik regulaarselt välja vahetada.
Tugevad aluselise anioonvahetusvaigu seadmed: kasutage tsüaniidi selektiivset adsorptsiooni tugeva aluselise anioonvahetusvaigu abil tsüaniidi reoveest eemaldamiseks. Seadmed hõlmavad peamiselt ioonvahetusambaid ja regenereerimisseadmeid. Tugev aluseline anioonivahetusvaik on täidetud ioonivahetuskolonnis. Kui reovesi läbib vahetuskolonni, adsorbeerub vaigu tsüaniidi ja väljavoolu vesi vastab tühjendusstandardile. Kui vanus on adsorptsiooniga küllastunud, tuleb see vaigu adsorptsioonivõime taastamiseks taastada regenereerimisagendiga. Ioonvahetuse meetodil on hea raviefekt ja see võib tsüaniidi eemaldada, kuid vaigu regenereerimisprotsess on suhteliselt keeruline, nõudes suure hulga regenereerimisagenti ja vaigu kasutusaega on piiratud, seega tuleb see regulaarselt asendada.
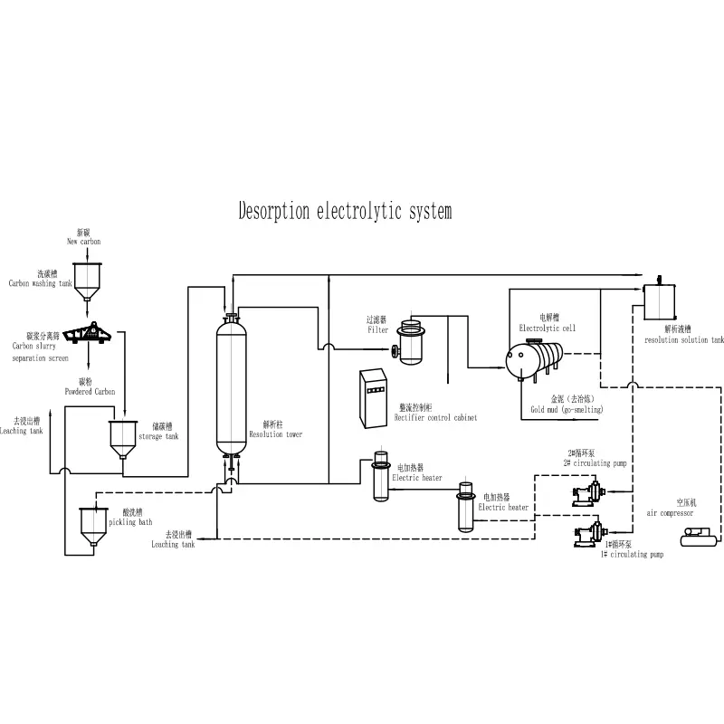
Lisaks on olemas elektrolüüsi töötlemisseadmed. ErinevTsüaniidiseadmedon oma plussid ja puudused. Praktilistes rakendustes on vaja põhjalikult arvestada selliste teguritega nagu reovee olemus, puhastusnõuded ja kulud ning valida sobivad puhastusvahendid või ühendada parima töötlemise efekti saavutamiseks mitut seadme.